Product Summary
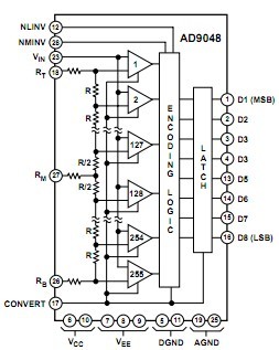
The AD9048SQ is an 8-bit, 35 MSPS flash converter, made on a high speed bipolar process, which is an alternate source for the TDC1048 unit, offers enhancements over its predecessor. Lower power dissipation makes the AD9048SQ attractive for a variety of system designs. Because of its wide bandwidth, it is an ideal choice for real-time conversion of video signals. Input bandwidth is flat with no missing codes. Clocked latching comparators, encoding logic and output buffer registers operating at minimum rates of 35 MSPS preclude a need for a sample-and-hold (S/H) or track-and-hold (T/H) in most system designs using the AD9048SQ. All digital control inputs and outputs are TTL compatible.
Parametrics
AD9048SQ absolute maixmum ratings: (1)VCC to DGND: –0.5 V dc to +7.0 V dc; (2)AGND to DGND: –0.5 V dc to +0.5 V dc; (3)VEE to AGND: +0.5 V dc to –7.0 V dc; (4)VIN, VRT or VRB to AGND: +0.5 V to VEE; (5)VRT to VRB: –2.2 V dc to +2.2 V dc; (6)CONV, NMINV or NLINV to DGND: –0.5 V dc to +5.5 V dc; (7)Applied Output Voltage to DGND: –0.5 V dc to +5.5 V dc; (8)Applied Output Current, Externally Forced: –1.0 mA to +6.0 mA; (9)Output Short-Circuit Duration: 1.0 sec; (10)Operating Temperature Range (Ambient): –55℃ to +125℃; (11)Maximum Junction Temperature (Plastic): +150℃; (12)Maximum Junction Temperature (Hermetic): +175℃; (13)Lead Temperature (Soldering, 10 sec): +300℃; (14)Storage Temperature Range: –65℃ to +150℃.
Features
AD9048SQ features: (1)35 MSPS Encode Rate; (2)16 pF Input Capacitance; (3)550 mW Power Dissipation; (4)Industry-Standard Pinouts; (5)MIL-STD-883 Compliant Versions Available.
Diagrams

| Image | Part No | Mfg | Description | ![]() |
Pricing (USD) |
Quantity | ||||
|---|---|---|---|---|---|---|---|---|---|---|
![]() |
![]() AD9048SQ/883B |
![]() Other |
![]() |
![]() Data Sheet |
![]() Negotiable |
|
||||
| Image | Part No | Mfg | Description | ![]() |
Pricing (USD) |
Quantity | ||||
![]() |
![]() AD9000 |
![]() Other |
![]() |
![]() Data Sheet |
![]() Negotiable |
|
||||
![]() |
![]() AD9000JD |
![]() Other |
![]() |
![]() Data Sheet |
![]() Negotiable |
|
||||
![]() |
![]() AD9000SD |
![]() Other |
![]() |
![]() Data Sheet |
![]() Negotiable |
|
||||
![]() |
![]() AD9002 |
![]() Other |
![]() |
![]() Data Sheet |
![]() Negotiable |
|
||||
![]() |
![]() AD9002AD |
![]() Analog Devices Inc |
![]() IC ADC 8BIT BIPOLAR HS 28-CDIP |
![]() Data Sheet |
![]() Negotiable |
|
||||
![]() |
![]() AD9002AJ |
![]() Analog Devices Inc |
![]() IC ADC 8BIT BIPOLAR HS 28-JLCC |
![]() Data Sheet |
![]() Negotiable |
|
||||
(United Kingdom)










